項目(Items) | FL122MSV34 | 公差(Tolerance) |
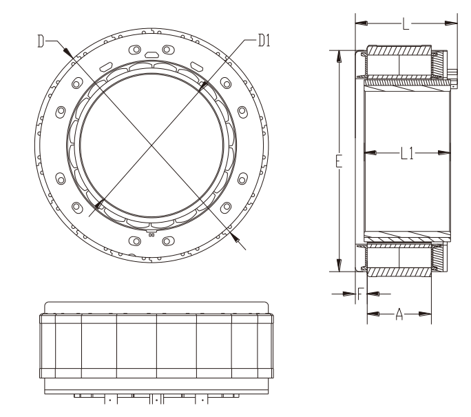
定子外徑D | 123mm | js9 |
定子長度L | 65mm | ±1 |
轉子內徑D1 | 45mm | H8 |
轉子長度L1 | 36mm | ±0.25 |
骨架外圓E | 118mm | ±0.2 |
特性概要 ( General Specifications )
繞組連接方式 ( Winding Type ) | 星形 ( Star connection) |
介電強度 ( Dielectric Strength ) | 600VAC/1S |
絕緣電阻 ( Insulation Resistance ) | 100MΩ, 500VDC |
環境溫度 ( Ambient Temperature ) | -20°C ~ +50°C |
絕緣等級 (Insulation Class) | Class B |
引出線顏色 Color | 引出線型號 Type | 功能 Functions |
紅色 ( Red ) | AWG14 | U相 ( Phase U ) |
黃色 ( Yellow ) | V相 ( Phase V ) | |
藍色 ( Blue) | W相 ( Phase W ) |
電性能 (Electrical Specifications)
單 位 (Unit) | FL130MSV34 | |
極數 ( Number of poles ) | 10 | |
相數 ( Number of phases ) | 3 | |
額定電壓 ( Rated voltage ) | VDC | 48 |
額定轉矩 ( Rated torque) | N.m | 3.8 |
額定電流(Rated current) | A | 24 |
額定速度 ( Rated speed ) | RPM | 2400 |
額定功率 ( Rated power ) | W | 955 |
最大轉速(Maximum speed) | RPM | 3000 |
峰值轉矩 ( Peak torque ) | N.m | 9.5 |
峰值電流 ( Peak current ) | A | 60 |
線電阻 ( Line to line resistance ) | ohms@20℃ | 0.033 |
線電感 ( Line to line inductance ) | mH | 0.19 |
轉矩常數 ( Torque constant ) | Nm/A | 0.18 |
反電勢 ( Back EMF ) | Vrms/KRPM | 11.2 |
機身長度 ( Motor length ) | mm | 65 |
電氣時間常數(Electrical time constant) | ms | 5.8 |
根據要求,該款電機可以設計和制造成定制的類型。
The motor can be designed &manufactured with customized request.

Copyright 2023 版權所有 江蘇富興電機技術股份有限公司 蘇ICP備05002292號-1