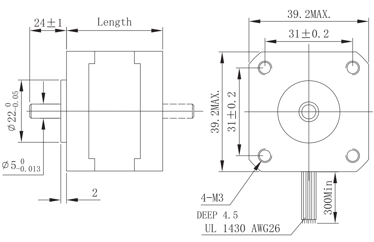
項目(Item) | 說明(Specifications) |
步距角(Step Angle) | 1.8° |
步距角精度(Step Angle Accuracy) | ±5% (整步無負載,full step, no load) |
徑向間隙( Radial Play) | 0.02mm@450 g |
軸向間隙( Axial Play) | 0.08mm@450 g |
最大徑向負載(Max. radial force) | 28N 距法蘭20mm (20mm from the flange) |
最大軸向負載(Max. axial force) | 10N |
介電強度(Dielectric Strength) | 600VAC / 1s |
絕緣電阻(Insulation Resistance) | 100MΩ ,500VDC |
環境溫度(Ambient Temperature) | -20。C~+50。C |
絕緣等級(Insulation Class) | Class B |
型號(Model No.) | Current /Phase 每相 電流 | Resistance /Phase 每相 電阻 | Inductance /Phase 每相 電感 | Holding Torque 保持 轉矩 | Detent Torque 定位 轉矩 | # of Leads 引出線數 | Rotor Inertia 轉動慣量 | Weight 重量 | Length 機身 長度 |
Single shaft(單出軸) | A | Ω | mH | N.m | N.m | # | g-cm2 | kg | mm |
FL39ST20-0404A | 0.4 | 6.6 | 6.0 | 0.065 | 0.005 | 4 | 11 | 0.12 | 20 |
FL39ST20-0506A | 0.5 | 15 | 6.0 | 0.065 | 6 | ||||
FL39ST34-0404A | 0.4 | 30 | 43 | 0.21 | 0.012 | 4 | 20 | 0.18 | 34 |
FL39ST34-0306A | 0.3 | 34 | 20 | 0.13 | 6 | ||||
FL39ST38-0504A | 0.5 | 22 | 40 | 0.29 | 0.018 | 4 | 24 | 0.2 | 38 |
FL39ST38-0806A | 0.8 | 7.5 | 8 | 0.2 | 6 | ||||
FL39ST44-0304A | 0.3 | 40 | 60 | 0.28 | 0.025 | 4 | 40 | 0.25 | 44 |
該款電機可以根據客戶需求定制。
The motor can be designed &manufactured with customized request.




Copyright 2023 版權所有 江蘇富興電機技術股份有限公司 蘇ICP備05002292號-1