繞組連接方式 ( Winding Type ) | 星形 ( Star connection ) |
徑向負載 ( Max radial force ) | 630N @ 20mm from the flange |
軸向負載 ( Max axial force ) | 315N |
絕緣等級 (Insulation Class) | Class B |
防護等級 (Protection level) | IP65 |
使用環境溫度 (Temperature) | -20℃~ +50℃ |
使用環境濕度 (Relative humidity) | ≤90%RH (無凝露)( No dewing) |
存儲環境 (Storage Condition) | -20℃~ +85℃,≤85%RH (無凝露)( No dewing) |
安裝環境(Installation environment) | 遠離腐蝕、可燃性氣體,油滴,灰塵, 海拔≤1000m Far away active gas, Combustible gas, oil drop, ash |
Pin No | 引出線型號Type | 引出線顏色Color | 功能Functions |
5 | UL1332 AWG26
| 綠色 ( Green ) | 霍爾電源正 ( Vcc ) |
1 | 黃色 ( Yellow ) | 霍爾 U ( Hu ) | |
2 | 棕色 ( Brown ) | 霍爾 V ( Hv ) | |
3 | 灰色 ( Gray ) | 霍爾 W ( Hw ) | |
4 | 藍色 ( Blue ) | 霍爾電源負 ( GND ) | |
1 | 具體規格見圖紙定義 | 黃色 ( Yellow ) | U相 ( Phase U ) |
2 | 紅色 ( Red) | V相 ( Phase V ) | |
3 | 黑色 ( Black ) | W相 ( Phase W ) |
單 位 (Unit) | FL110BLG15 | FL110BLG20 | |||
極數 ( Number of poles ) | 10 | ||||
相數 ( Number of phases ) | 3 | ||||
額定電壓 ( Rated voltage ) | VDC | 310 | 48 | 310 | 48 |
額定轉矩 ( Rated torque) | N.m | 4.77 | 4.77 | 6.37 | 6.37 |
連續運行轉矩 ( Continuous stall torque) | N.m | 5.72 | 5.72 | 7.64 | 7.64 |
額定速度 ( Rated speed ) | RPM | 3000 | 3000 | 3000 | 3000 |
額定功率 ( Rated power ) | W | 1500 | 1500 | 2000 | 2000 |
峰值轉矩 ( Peak torque ) | N.m | 14.3 | 14.3 | 19.1 | 19.1 |
峰值電流 ( Peak current ) | A | 28 | 166 | 37.5 | 214 |
線電阻 ( Line to line resistance ) | ohms@20℃ | 0.36 | 0.01 | 0.29 | 0.009 |
線電感 ( Line to line inductance ) | mH | 5.6 | 0.16 | 4.8 | 0.145 |
轉矩常數 ( Torque constant ) | Nm/A | 0.51 | 0.086 | 0.51 | 0.089 |
反電勢 ( Back EMF ) | Vrms/KRPM | 38.1 | 6.35 | 38.1 | 6.63 |
轉動慣量 ( Rotor inertia ) | kg.cm2 | 3.1 | 3.1 | 4.1 | 4.1 |
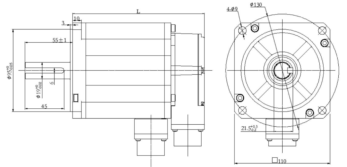
機身長度 ( Motor length ) L | mm | 151.5 | 156.5 | 168.5 | 173.5 |
重量 ( Weight ) | kg | 5 | 5.2 | 6.7 | 6.9 |
該款電機可以根據客戶需求定制。
The motor can be designed &manufactured with customized request.

Copyright 2023 版權所有 江蘇富興電機技術股份有限公司 蘇ICP備05002292號-1