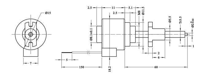
1、技術規格:
繞組類型 | 單\雙極性 | |||
電機結構 | 外部驅動式 | |||
步距角 | 度 | 18 | ||
工作電壓 | V | 4 | 5 | 12 |
每相電流 | mA | 200 | 160 | 70 |
每相電阻 | Ω | 20 | 33 | 180 |
每相電感 | mH | 506 | 8.7 | 49 |
步長 | mm | 0.02 | ||
0.025 | ||||
0.05 | ||||
注:參數可以根據客戶要求訂制。可選絲桿直徑① 3.0(mm),可選導程① 0.5、1.0(mm)。步長=(步距角度/360)*導程(mm)
2、步進速度與推力曲線:


Copyright 2023 版權所有 江蘇富興電機技術股份有限公司 蘇ICP備05002292號-1