標準使用狀態
1. 額定電壓: 36 VDC
2. 使用電壓范圍: 24V—50 VDC
3. 額定負載(CW):6 N.m
4. 運轉方向: CW/CCW 從出軸方向看
5. 使用姿勢:出軸方向為?平或者垂直
6. 標準使用溫度:25±5℃
7. 使用溫度范圍:-20~50℃
8. 標準使用濕度:65%
9. 使用濕度范圍:5~85%,無凝露
10. 保存溫度范圍:-30~70℃
11. 絕緣等級:Class
電氣特性:
1. 空載轉速:315 rpm±10%
2. 空載電流:0.5 Arms
3. 額定負載: 6 N.m
4. 額定負載轉速:275rpm±10%
5. 額定負載相電流(峰值):7Apk±10%
6. 峰值負載:17 N.m
7. 最?負載相電流(峰值):23Apk±10%
8. 絕緣電阻/定子繞組:DC 500VAC, 100M Ohms
9. 耐?壓/定子與機殼: 600 VAC, 1s, 2mA
10. 電機反電勢:0.096Vrms/rpm±10%
11. 轉矩常數:1.22N.m/Arms
12. T-N曲線 (36V)
驅動器產品規格
| 項目 | 數據 |
| 額定?作電壓 | 36VDC |
| 允許最?電壓 | 50VDC |
| 額定?作相電流 | 7Apk |
| 最?允許相電流 | 23Apk |
| 待機功率 | ≤18mA |
| CAN總線?特率 | 1Mbps |
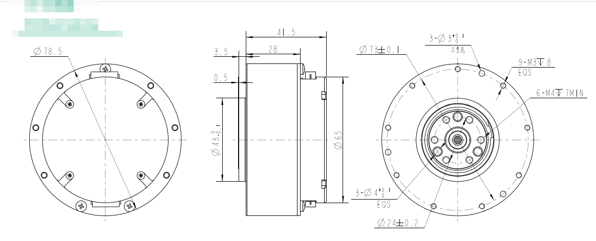
| 尺? | Φ58mm |
| ?作環境溫度 | -20℃?50℃ |
| 控制板允許最?溫度 | 105℃ |
| 編碼器分辨率 | 14bit(單圈絕對值) |
驅動器接口推薦品牌及型號
| 板端型號 | 品牌?家 | 線端型號 | 品牌?家 |
| XT30PB(2+2)-M.G.B | AMASS(艾邁斯) | XT30(2+2)-F.G.B | AMASS(艾邁斯) |
主要器件及規格
| 序號 | 項目 | 規格 | 數量 |
| 1 | MCU芯? | GD32F303RGT6 | 1 PCS |
| 2 | 驅動芯? | 6EDL7141 | 1 PCS |
| 3 | 磁編碼器芯? | AS5047P | 1 PCS |
| 4 | 熱敏電阻 | NXFT15XH103FEAB021/NCP18XH103F03RB | 2 PCS |
| 5 | 功率MOS | JMGG031V06A | 6 PCS |

Copyright 2023 版權所有 江蘇富興電機技術股份有限公司 蘇ICP備05002292號-1